Inicio 9 - Esquemas y libros Esquema McIntosh A-116 Esquema McIntosh A-1163,00€ Esquema McIntosh A-116 cantidad Comprar SKU: af1749ab5229 Categoría: 9 - Esquemas y libros Comparte esto: Comparte en Facebook (Se abre en una ventana nueva) Facebook Compartir en X (Se abre en una ventana nueva) X Haz clic en Pinterest (Se abre en una ventana nueva) Pinterest Compartir en LinkedIn (Se abre en una ventana nueva) LinkedIn Enviar un enlace a un amigo por correo electrónico (Se abre en una ventana nueva) Correo electrónico Imprimir (Se abre en una ventana nueva) Imprimir Descripción Esquema del modelo McIntosh A-116 necesario para sus reparaciones. Se enviará en fichero PDF, en CD-ROM Productos relacionados Service Manual Beocenter 4000 3,00€ 9 - Esquemas y librosComprar Service Manual Beomaster 1000 3,00€ 9 - Esquemas y librosComprar Service Manual Philips Pallas B5D53AT 3,00€ 9 - Esquemas y librosComprar Esquema Radiola IIIA 3,00€ 9 - Esquemas y librosComprar
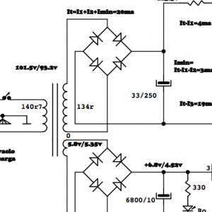
Esquema del modelo McIntosh A-116 necesario para sus reparaciones. Se enviará en fichero PDF, en CD-ROM